德国工业4.0智造

  • 健康环保
  • 免费服务
  • 三年质保
  • 本地体验
首页 > 案例中心 > 美式 > 美式风格家居

美式风格家居 6903

123㎡#三室两厅一卫#美式

案例介绍
安徽省 - 亳州市 - 谯城区 万达华府

美式风格家居就如同美国独立精神一般,讲究
的是如何通过生活经历去累积自己对艺术的启发及
对品味的喜好,从中摸索出独一无二的美学空间。
    美式风格其外观和用料仍保持自然、淳朴的风
格。就整体而言,美式家具传达了单纯、休闲、有
组织、多功能的设计思想,让家庭成为释放压力和
解放心灵的净土。美式家居自由随意、简洁怀旧、
实用舒适;以暗棕、土黄为主的自然色彩;其家具
的最迷人之处还在于造型、纹路、雕饰和色调细腻
高贵,耐人寻味处透露亘古而久远的芬芳。美式家
居风格的元素也正好迎合了时下的人民对生活方式
的需求,即:有文化感、有贵气感,还不能缺乏自
在感与情调感。
       因为美式风格相对简
洁,细节处理便显得尤为
重要。美式家具一般采用
胡桃木和枫木,为了突出
木质本身的特点,它纹理
本身成为一种装饰。可以
在不同角度下产生不同的
光感。这使美式家具比金
光闪耀的欧式家具更耐看
。
    美式居家说的不只是
一种风格,也是一种生活
态度,相信您也会爱上它
。

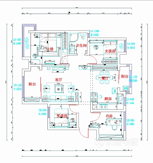
户型图

入户走廊,以暗棕、土黄为主的自然色彩的主材和造型,而在走廊顶面则以若个正方格为造型吊顶。简洁大方,舒适怀旧。
正对入户门处墙面则以类似护墙板为造型进行点缀装饰,充当背景。简单怀旧。
客厅电视背景墙以石材和木质罗马柱搭配进行装饰,高端大方,造型、纹路、雕饰和色调细腻
高贵。
客厅沙发背景主要以木线条和壁布搭配进行装饰,简单大方,舒适温馨。
餐厅处以一面整体酒柜为装饰,既能储物又能充当背景进行点缀。
厨房开敞
  厨房在美国人眼中一般是开敞的(由于其饮食烹饪习惯),同时需要有一个便餐台在厨房的一隅,还要具备功能强大又简单耐用的厨具设备,如水槽下的残渣粉碎机,烤箱等。
餐厅处一面整体酒柜为装饰,既能起到背景点缀又能增加储物空间。与餐桌椅形成整体。
走廊,简洁大方,舒适怀旧。
主卧室布置较为温馨,作为主人的私密空间,主要以功能性和实用舒适为考虑的重点,一般的卧室不设顶灯,多用温馨柔软的成套布艺或软包来装点,同时在软装和用色上非常统一。
主卧室布置较为温馨,作为主人的私密空间,主要以功能性和实用舒适为考虑的重点,一般的卧室不设顶灯,多用温馨柔软的成套布艺和软装来装点,同时在软装和用色上非常统一。
这款床的主体颜色为粉色,其间搭配着白色,颜色清新、淡雅,床体线条灵动、跳跃,是可爱的美式风格造型。这种淡雅、温馨的粉色为启发性的色彩,可以使孩子的思想和性格往良性方面发展,对培养孩子的审美有着很大的好处。
这款床的主体颜色为粉色,其间搭配着白色,颜色清新、淡雅,床体线条灵动、跳跃,是可爱的美式风格造型。这种淡雅、温馨的粉色为启发性的色彩,可以使孩子的思想和性格往良性方面发展,对培养孩子的审美有着很大的好处。
这款床的主体颜色为粉色,其间搭配着白色,颜色清新、淡雅,床体线条灵动、跳跃,是可爱的美式风格造型。这种淡雅、温馨的粉色为启发性的色彩,可以使孩子的思想和性格往良性方面发展,对培养孩子的审美有着很大的好处。
这款床的主体颜色为粉色,其间搭配着白色,颜色清新、淡雅,床体线条灵动、跳跃,是可爱的美式风格造型。这种淡雅、温馨的粉色为启发性的色彩,可以使孩子的思想和性格往良性方面发展,对培养孩子的审美有着很大的好处。
清新海蓝:明快纯净的天空颜色,让卧室整体变得非常得宁静淡定。但是全部用蓝色未免单调,因此床品、地毯、窗帘等布艺都选用了具有丰富图案的款式。
清新海蓝:明快纯净的天空颜色,让卧室整体变得非常得宁静淡定。但是全部用蓝色未免单调,因此床品、地毯、窗帘等布艺都选用了具有丰富图案的款式。
书房简单实用,美式家居的书房简单实用,但软装颇为丰富,各种象征主人过去生活经历的陈设一应俱全,被翻卷边的古旧书籍、颜色发黄的航海地图、乡村风景的油画、一支鹅毛笔……即使是装饰品,这些东西也足以为书房的美式风格加分。
书房简单实用,美式家居的书房简单实用,但软装颇为丰富,各种象征主人过去生活经历的陈设一应俱全,被翻卷边的古旧书籍、颜色发黄的航海地图、乡村风景的油画、一支鹅毛笔……即使是装饰品,这些东西也足以为书房的美式风格加分。
691
安徽省-亳州市
设计经验3 作品1
  • 现代
  • 美式
  • 欧式
  • 硬装设计
  • 软装配饰设计

免费申请设计

设计师上门服务全程免费,禁止以任何形式收取费用。

请输入验证码

验证码输入错误